Opis
Modułowa centrala oddymiania 16 A w stalowej obudowie, sterująca systemami oddymiania i naturalnej wentylacji.
Cechy centrali:
» Modułowa centrala sterująca systemami oddymiania i naturalnej wentylacji
» Możliwość stosowania w sieci AdComNet
» Całkowity prąd napędów do 16 A
» Do zastosowania w małych i średnich obiektach
» Obsługa dwóch stref oddymiania, np. klatek schodowych
» Wyposażona w jedno wolne gniazdo wtykowe na dodatkowe moduły
» Obsługuje dwie strefy oddymiania (2 linie, 3 grupy)
» Pozwala na podłączenie do 8 przycisków oddymiania i 14 czujek pożarowych na linię (dozwolone są wyłącznie czujki dopuszczone przez D+H)
» Umożliwia bezpośrednie podłączenie czujek pogodowych i chwytaków elektromagnetycznych
» Możliwe zaprogramowanie różnych funkcji, np. dla alarmu i uszkodzenia, ograniczenie wysuwu i czasu dla wentylacji
» Monitorowanie przewodów pod kątem zwarcia i przerwy
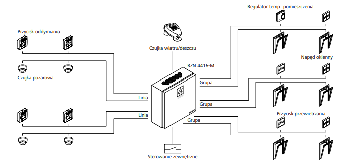
Przykład zastosowania:
Dane techniczne
| Rodzaj centrali | Modułowa, centrala oddymiania i przewietrzania |
| Certyfikaty | Świadectwo Dopuszczenia CNBOP Nr 3989/2020, Krajowa Ocena Techniczna CNBOP-PIB-KOT-2018/0052-1009, Krajowy Certyfikat Stałości Własności Użytkowych Nr 63 -UWB-0109 |
| Zasilanie główne: napięcie zasilania | 230 V AC / 50 Hz / 500 VA |
| Maksymalny pobór prądu | 16A |
| Strefa oddymiania | Obsługuje dwie strefy oddymiania (2 linie, 3 grupy) |
| Współpracuje z SAP | Tak |
| Ilość i typ akumulatorów | 2szt. 12 V/12 Ah |
| Napięcie wyjściowe | 24 V DC / 16 A |
| Dedykowany przycisk oddymiania | RT-45, RT-LT lub RT 45-ST-PL |
| Temperatura pracy | -5 °C ... +40 °C |
| Wizualizacja diodami LED na panelu | Diody LED: kontrola, uszkodzenie linia 1, alarm linia 1, uszkodzenie grupa 1, uszkodzenie linia 2, alarm linia 2, uszkodzenie grupa 2, uszkodzenie grupa 3, zasilanie sieciowe, uszkodzenie akumulatorów, doziemienie, |
| Wyjście | 2 szt. do ręcznych ostrzegaczy pożaru na 8 szt; 3 szt. do ręcznych przycisków przewietrzania (w zależności od liczby modułów); 3 szt. do elementów wykonawczych (w zależności od liczby modułów); i wyjścia przekaźnikowe w zależności od ilości zastosowany |
| Tryb pracy „Alarm / Wentylacja” | Praca krótkotrwała, 30% ED |
| Tryb pracy „Dozór” | Praca ciągła |
| Maksymalna ilość elementów na linii dozorowej | Do 8 przycisków oddymiania i 14 czujek pożarowych na linię (dozwolone są wyłącznie czujki dopuszczone przez D+H) |
| Możliwość podłączenia chwytaków elektromagnetycznych | Tak |
| Możliwość podłączenia czujek pogodowych | Tak |
| Przycisk "RESET" | Tak, wewnątrz centrali |
| Klasa niezawodności działania | RE 1000DP |
| Moc w stanie gotowości | 13,6 W |
| Dodatkowe wyposażenie | Wyposażona w jedno wolne gniazdo wtykowe na dodatkowe moduły |
| Tętnienie resztkowe | < 2 Vss |
| Materiał wykonania obudowy | Blacha stalowa |
| Szczelność obudowy IP | IP54 |
| Kolor | Jasnoszary |
| Masa | 25kg |
| Wymiar (Szer x Wys x Gł) | 500 x 500 x 210 mm |
Bezpieczeństwo
Koszty dostawy
Cena nie zawiera ewentualnych kosztów płatności
